We accelerate all manufacturing processes starting with CAD
SCROLL
In the manufacturing industry, engineers waste 40-60% of time on manual CAD work.
Automate CAD & replicate the engineering intelligence behind it.
Agentic Text to CAD
Edit, Search, Assemly
Drawing to CAD
Turn your drawings to editable 3D CAD
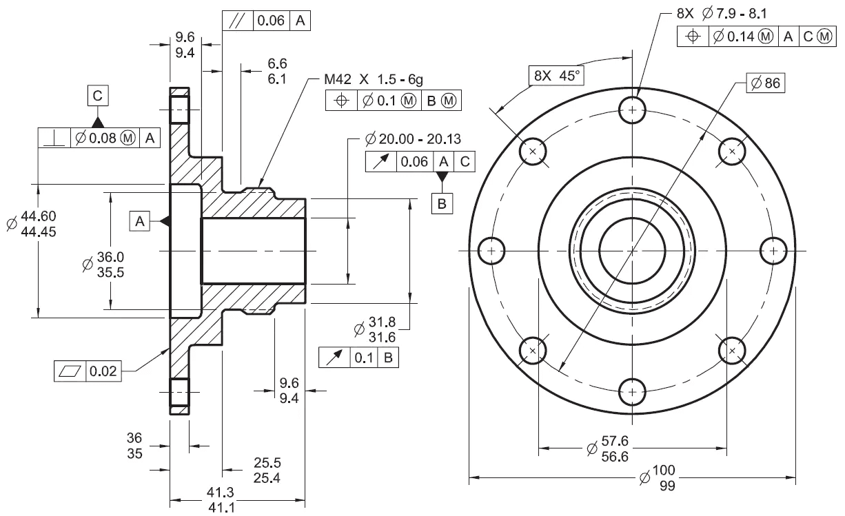
CAD to Drawing
Turn your 3D CAD into GD&T Drawing
CoMeT self-evolving memory
Knowledge Database






